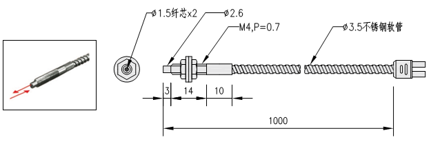
1m线长
|
||||
|
1m线长
|
||||
1m线长
|
||||
1m线长
|
WF-H85
WF-H87
WF-H83C
WF-H38K